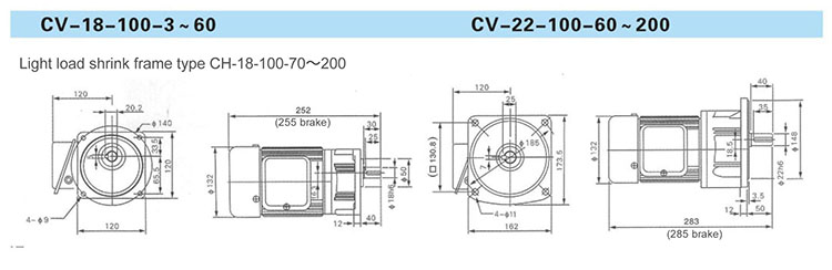
0.1KW CV vertical three-phase aluminum (brake) motor reducer

Product Center

0.1KW CV vertical three-phase aluminum (brake) motor reducer

0.1KW CV vertical three-phase aluminum (brake) motor reducer

If you have any questions, please contact us!
Contact Us

点击
隐藏

微信
咨询


扫一扫,了解更多!

电话
咨询

0086-577-62516660
客服热线