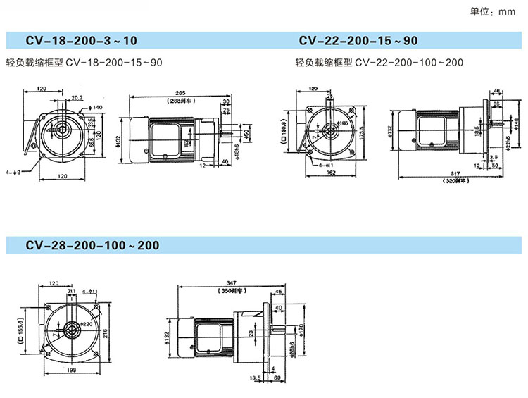
0.2KW CV型立式三相铝壳(刹车)马达减速机

产品中心

0.2KW CV型立式三相铝壳(刹车)马达减速机

0.2KW CV型立式三相铝壳(刹车)马达减速机

如果您有任何问题可以联系我们!
联系我们

点击
隐藏

微信
咨询


扫一扫,了解更多!

电话
咨询

0577-62516660
客服热线